| 产品标题:UL-M2系列电动机保护器 产品ID:VIB20090714195222734 品 牌:巨龙电气 所在地:中国 上海 价 格:面议 (大量采购价格面议) 库存状态:货期待查 更新日期:2025-12-8 17:24:05 咨询电话:(+86)021-51699285 咨询Q Q: 2695337323 |
| 二、规格及技术参数 |
|
●产品型号命名方法:
|
| |||||||
| 、选用指南 |
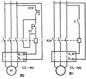
| ●规格选择 根据所需保护电动机的额定电流选择相应规格的电动机保护器。在特殊情况下,大规格电动机保护器可用增加穿过电动机保护器匝数的方法,应用在小功率电动机;小规格电动机保护器可通过安装于电流互感器二次侧的方法,应用于大功率电动机。 ●启动时间的选择 对一些大惯量、重负荷启动的设备(如风机),宜选用启动时间20秒的电动机保护器。 对一些小惯量、轻负荷启动及允许过载时间短的设备(如潜水泵),宜选用启动时间 5秒的电动机保护器。 ●保护特性的选择 反时限特性的电动机保护器宜用在负载波动较大,长期工作、间断长期工作的场合。 定时限特性的电动机保护器宜用在频繁启动及频繁正反转而负载较稳定的场合。 ●安装使用 ![]() 图 2、图3为UL-M2系列电动机保护器的使用接线图 (1)将交流接触器到电动机的三相电线分别穿过电动机保护器的三只穿线孔,相序任意。 (2)将电动机保护器的输出接口串入交流接触器的二次回路。 K1、K2任意。 (3)把刻度调节在所要求设定的电流值,一般设定在电动机额定电流或者设定在电动机的工作电流。 |
